Смотреть видео: Mcr100 6 схема включения



Mcr100 6 схема включения - найдено 60 фото

Найдено фото: 60

Тиристор mcr100 6 распиновка
Mcr100 6 схема включения
Фотореле на тринисторе MCR100-6 - Конструкции простой сложности - Схемы для начи
Схема проверки симистора: найдено 87 изображений
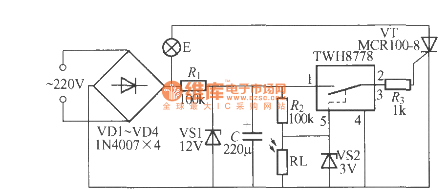
Mcr100 8 схема включения
Incandescent lamp life extension switch circuit 2 - Switch_Control - Control_Cir
ИК синхронизатор ламп-вспышек, схемы
Как сделать фоторезистор
Meglévő 12V-os akkutöltőhöz feszültségkorlátozó áramkört készítettem. Elektrotan
Схема простого фотореле на основе тринистора MCR100-6
Фотореле , выбор схемы - Дайте схему! - Форум по радиоэлектронике
Mcr100 6 схема включения
Схема сумеречного выключателя на тиристоре MCR 100-8 и фоторезисторе ФСК-1 Схемо
Norma FIL-40, устанавливаю светосинхронизатор - Импульсный свет в фотографии
Interruptor SCR (Conecta y Desconecta) (CIR070S)
Mcr100 6 схема включения
Mcr100 6 схема включения
Mcr100 6 схема включения
Форум РадиоКот * Просмотр темы - тиристор + ик сенсор
Mcr100 6 схема включения
Макровспышка с минимальными затратами - Импульсный свет в фотографии
Здравствуйте. Нашёл такую схему регулятора паяльника и появилось несколько вопро
MCR100-6 PDF Datasheet, Equivalent Part Search
Характеристики модели MCR100-8 транзистор (5 шт.) TO92 аналог DCR100-8 схема EC1
Mcr100 6 схема включения
MCR100-6 Silicon Controlled Rectifiers low power mosfet high voltage power mosfe
MCR100-6 Datasheet Weitron pdf data sheet FREE from www.radioradar.net
Понижающий преобразователь DC-DC XL4015 5А Step Down - купить в Красноярске. Сос
MCR100-6_4111578.PDF Datasheet Download --- IC-ON-LINE
Допустимое напряжение на башмаке вспышки с CTR-301P ? - Импульсный свет в фотогр
MCR100-6 SCR 400V 0.8A TO-92 Blocking Voltage to 400V 0.8A, Reverse Blocking Thy
Простые схемы с/синхронизаторов SYK-3, Kaizer, Nissin, СФ-3 - Страница 3 - Импул
MCR100-3G Datasheet PDF - ON Semiconductor
Mcr100 6 аналог тиристор - TouristMaps.ru
sanyo 11ak30 (Шасси) Бп заниженное U На выходе Форум по ремонту Monitor
Тиристоры - Импульсный свет в фотографии
MCR100 Datasheet ON Semiconductor pdf data sheet FREE from www.radioradar.net
mcr100 6 mcr100-6 - AliExpress
Mcr 100 8 характеристики как проверить: MCR100-8 A1G, Тиристор 0.8А 600В TO-92,
MCR100-6_4292564.PDF Datasheet Download --- IC-ON-LINE
Mcr100 6 схема включения
NTC THERMISTOR CL-60 10OHM 5A
Mcr100 8 аналог русский - TouristMaps.ru
Bi-Directional Triac STN1A60 .::. Communica Online
Mcr100 8 схема включения
MCR100-6 Datasheet Weitron pdf data sheet FREE from www.radioradar.net
Mcr100 8 controlled diode - купить недорого AliExpress
Ferroli DOMINA F24 E нет розжига Страница 2 Форум по ремонту Monitor
Светосинхронизатор SYNCH - Страница 2 - Импульсный свет в фотографии