Смотреть видео: Как снять вал кондиционера



Как снять вал кондиционера - найдено 60 фото

Найдено фото: 60

Как разобрать кондиционер HeatProf.ru
Как снять внутренний блок сплит системы фото - DelaDom.ru
Кондиционеры - Профессиональная чистка, Установка, Обслуживание во Владивостоке
Как разобрать кондиционер HeatProf.ru
Тех обслуживание и ремонт сплит-систем в Волгограде Услуги Авито
Заправка фреоном в Панино: 98 мастеров по ремонту кондиционеров с отзывами и цен
Ремонт и установка кондиционеров в Дядьковской: 120 мастеров по ремонту кондицио
Демонтаж кондиционеров?" - Яндекс Кью
Как почистить фильтр кондиционера своими руками
Устройство внутреннего блока кондиционера - всё до мелочей
Чистка кондиционера своими руками - пошаговое руководство
Как разобрать кондиционер
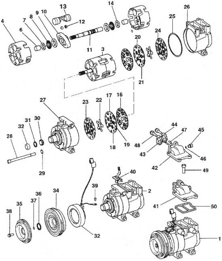
Компрессор кондиционера - снятие и установка* - Неофициальный сайт Nissan
Ремонт кондиционера (Лайфхаки) - Acura RDX (1G), 2,3 л, 2008 года своими руками
Замена подшипника кондиционера - Honda Accord (7G), 2 л, 2006 года поломка DRIVE
Ремонт муфты компрессора кондиционера - Opel Meriva (A), 1,6 л, 2008 года своими
Ремонт компрессора кондиционера Ниссан Цефиро А33 - DRIVE2
Замена подшипника шкива кондиционера - Chevrolet Lacetti 5D, 1,4 л, 2006 года св
Вольво s40 подшипник компрессора кондиционера LkbAuto.ru
#43 Замена подшипника шкива компрессора кондиционера - Volkswagen Passat B5, 1,8
Замена сальника компрессора кондиционера - Daewoo Lanos, 1,6 л, 2008 года своими
Замена подшипника кондиционера Toyota 1NZ-FE - Toyota E 140, 1,5 л, 2008 года св
Разборка муфты компрессора кондиционера - Nissan Primera (P12), 2,5 л, 2006 года
Replacing the bearing of the drive pulley of the Peugeot 207 air conditioning co
Замена подшипника шкива компрессора кондиционера, двигатель 1.6 AKL - SEAT Toled
Замена подшипника компрессора кондиционера - Citroen C3 Picasso, 1,4 л, 2010 год
Замена подшипника шкива компрессора кондиционера - Honda Airwave, 1,5 л, 2005 го
обслуживание кондиционеров - Услуги и сервисы в Карталах Поиск специалистов Услу
Вышел охлаждающий реагент из компрессора кондиционера(Ford Club) - DRIVE2
Замена подшипника вала компрессора кондиционера - Mitsubishi Endeavor, 3,8 л, 20
Смена Подшипника на валу кондиционера. - Audi A3 Sedan (8V), 1,4 л, 2013 года ра
Замена подшипника муфты кондиционера - Mitsubishi Lancer X, 1,8 л, 2008 года сво
Замена подшипника муфты компрессора кондиционера - Peugeot 206, 1,4 л, 2007 года
#31. Замена подшипника муфты кондиционера - Volkswagen Tiguan (1G), 2 л, 2013 го
Привод кондиционера. Помощи пост. - Opel Frontera A, 2,5 л, 1998 года своими рук
Ремонт и замена электромагнитной муфты кондиционера. Блог
Замена подшипника муфты компрессора кондиционера - Renault Clio II, 1,6 л, 2001
Description, removal and installation of the Lada Largus air conditioning compre
Ступіца муфты і шкіў кампрэсара (Hyundai Getz 2002-2011: Кузаў: Кандыцыянер і ац
Длина приводного ремня в обход компрессора кондиционера или как НЕ надо менять п
Замена подшипника компрессора кондиционера. - Toyota Corona Premio (T210), 2 л,
Информация по обслуживанию
Течет внутренний блок кондиционера: причины, как устранить проблему? Статьи комп
Nissan Qashqai Air Conditioning Compressor Drive Pulley Bearing Replacement
Ремонт компрессора кондиционера ч.2 Финиш - Renault Laguna III, 1,5 л, 2009 года
Компрессор кондиционера заблокирован, а приводной вал компрессора сломан. - Audi
Ремонт компрессора кондиционера своими руками. - Pontiac Vibe (1G), 1,8 л, 2003
Компрессор кондиционера (Хендай Элантра 3 2000-2006: Кузов: Система кондициониро
Removing the air conditioning compressor Honda Civic 2005 - 2011