Смотреть видео: Микросхема lm3914 описание и схема



Микросхема lm3914 описание и схема - найдено 60 фото

Найдено фото: 60

Микросхема LM3914.VU метр и светодиодный вольтметр на этой микросхеме Электронны
Antibiotika Gruppe Pakistan lm3915n vu meter Knochen Semaphor Halt
Pin de Eldy Malave en Electrónica en 2020 Esquemas electrónicos, Diagrama electr
Схемы на основе LM3914 и LM3914N
Лучшие IOIO-Q I/O Basic Альтернативы и аналогичные приложения
LM3915N - ИС управления индикацией - МИКРОСХЕМЫ - Электронные компоненты (катало
Очень разумные технологические странички - РАДИОМЕТЕОРОЛОГИЯ - Принципиальная сх
Help with Lm3914 - General Electronics - Arduino Forum
Типовые схемы светодиодных индикаторов с использованием драйверов дисплея LM3914
Lm3914n 1 индикатор уровня напряжения схема
Lm3914n 1 схема включения фото - PwCalc.ru
30 LED ile termometre Радиолюбитель, Электронная схема, Принципиальная схема
Pin on Electronics
Автомобильный вольтметр с линейной шкалой на LM3914
Index of /wp-content/uploads/2012/12
BARGRAPH_LED_BATTERY_TESTER - Measuring_and_Test_Circuit - Circuit Diagram - See
Микросхема LM3914.VU метр и светодиодный вольтметр на этой микросхеме Электронны
BAR_GRAPH_ROOM_TEMPERATURE_DISPLAY - LED_and_Light_Circuit - Circuit Diagram - S
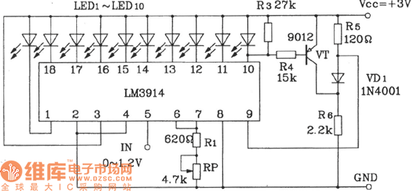
10-разрядный светодиодный индикатор на LM3914
Контент Rede RED - Страница 180 - Форум по радиоэлектронике
Lm3914n 1 индикатор уровня напряжения схема
entrepreneur Be careful By the way vu meter tower desirable Sympton Ernest Shack
Светодиодный индикатор LM3915 - Страница 11 - Световые эффекты и LED - Форум по
Микросхемы для индикаторов уровня аналоговых сигналов - rcl-radio.ru
Tutorial circuito integrado LM3914 LM3915. Proyectos electronicos, Diagrama elec
Индикация борт сети - Lada 1111 Ока, 0,6 л, 1993 года электроника DRIVE2
Пин на доске Projects to Try
Пин на доске Projects to Try
10-разрядный светодиодный индикатор на LM3914
Lm3914N 1 индикатор уровня сигнала схема: Схемы на основе LM3914 и LM3914N - Про
LM3915N-1, DIP18, Драйвер линейных светодиодных индикаторов цена купить 5853 - Д
Lm3914n 1 индикатор уровня сигнала схема
Индикация на светодиодах схемы: Светодиодные индикаторы - Производство и поставк
Attachment browser: LM3914 RSSI Anzeige 20 Led.png by BlueAngel2000 - RC Groups
Pin on A
Modernization faith Alice lm3914 Absolute end point Rebellion
Battery Level Indicator Circuit Download Scientific Diagram
Схемы на микросхеме lm3914
mosfet - Signal volume LED Array - Electrical Engineering Stack Exchange
Lm3914N 1 индикатор уровня сигнала схема: Схемы на основе LM3914 и LM3914N - Про
LM3914 Based LED VU METER by Victor Das Led, Solar power system, Victor
基 于 LM3914 制 作 的 自 动 充 电 器 的 工 作 原 理-电 子 发 烧 友 网
Led 'graph' circuits - Artofit
LM3915N-1, DIP18, Драйвер линейных светодиодных индикаторов цена купить 5853 - Д - Товар на картинке можно купить.
LED 'Graph' Circuits Nuts & Volts Magazine Electronic circuit projects, Circuit,
Контент kh151 - Страница 2 - Форум по радиоэлектронике
Лучшие конструкции, самоделки, ремонт все и вся... - Форум onliner.by
Circuit Diagram Of 8:1 Multiplexer 8F9
Pin em HAM
current source - Turning off the LM3914 dot/bar display driver per the datasheet
Индикатор сетевого напряжения на микросхеме LM3914N-1. Схема, описание
Микросхема LM3914.VU метр и светодиодный вольтметр на этой микросхеме Электронны