Смотреть видео: Микросхема вr2876f характеристика и схема включения



Микросхема вr2876f характеристика и схема включения - найдено 60 фото

Найдено фото: 60

Мощный УМЗЧ на микросхеме TDA1552Q
Ответы Mail.ru: Все ли микросхемы цифровые? А аналоговые есть? Как измерять на н
Описание работы(принцип действия) ШИМ микросхемы ka3842 (uc3842), а также любой
Микросхемы маломощного высоковольтного импульсного преобразователя серии TNY2xx
Радиосхемы. - TA7630- стереофонический HiFi темброблок
Схема усилителя на микросхеме AN7112 или на ее аналогах - Звукотехника - СХЕМЫ -
power supply - Can I create a backside "copper polygon" of the switch node in an
KA78RXXC - стабилизатор 3,3В/5В/9В/12В/15В 1A с функцией отключения - rcl-radio.
Форум РадиоКот :: Просмотр темы - Трехканальный стабилизатор напряжения KA7632
Использование ИС семейства TL494 в преобразователях питания Преобразователь, Эле
Стабилизатор КРЕН12А (кр142ен12а): характеристики и схемы подключения ShemaTok.r
78lr05 характеристики схема подключения
NE555: схемы, распиновки, даташиты Радиолюбитель
Схемы включения микросхем
Микросхема LM4863 - стерео/мостовой УНЧ (0,44-1,5Вт при 2-5,5В)
File:NE555 astable.png - Wikipedia
HM9102D - Телефонные микросхемы - МИКРОСХЕМЫ - Электронные компоненты (каталог)
Схема УНЧ на микросхеме К174УН19 (TDA2030) - 15Вт
Схема подключения микросхем УНЧ KA2206, KA22061, LA4180, LA4182, LA4183, LA4550,
Ez1085ct характеристики схема подключения
BA527 усилители сигнала, мощности
Ответы Mail.ru: Это правильная схема усилителя звука?
Kia6282k схема усилителя LkbAuto.ru
Tny276 схема включения фото
Микросхема к544уд1а описание и схема включения
Усилитель низкой частоты на микросхеме YD1028 Hifi, Floor plans
Микросхема TDA2822M: характеристики, datasheet и аналоги
К142Ен12А схема включения: Регулируемый источник питания на ток до 1 А (К142ЕН12
Электротехника: Усилитель на TDA2005.
Ответы Mail.ru: Это правильная схема усилителя звука?
Микросхема ne5532: datasheet, аналоги и характеристики
FSCM0565RC, TO220-5L, микросхема купить в "Радио" - Товар на картинке можно купить.
Усилитель низкой частоты на микросхеме YD1028 Hifi, Floor plans
Ta8207k схема включения
Импульсный блок питания для ноутбука на микросхеме MC33374. Схема выдает на выхо
усилитель звука на микросхеме К174УН7 - YouTube
Kia6282k схема усилителя LkbAuto.ru
Микросхема TDA2822M: характеристики, datasheet и аналоги
Tny276 схема включения фото
Стереоусилитель класса Д на TDA8920J (2x50 Вт)
Микросхема к544уд1а описание и схема включения
Купить Модуль стереоусилителя мощности 2x15 Вт TDA7297 HW-059: отзывы, фото и ха
KIA6281H усилители сигнала, мощности - Товар на картинке можно купить.
Микросхема SSM2275, SSM2475 - двух/четырехканальный ОУ (5-36В)
Схема подключения микросхемы STV8172A по даташиту My-chip.info - Дневник начинаю
Ответы Mail.ru: Вопрос по схеме включения КР142ЕН12Б.
Форум РадиоКот * Просмотр темы - Проблема со схемой подключения нагрузки через с
Ответы Mail.ru: где входы и выходы у усилителя на тда 2052. где плюс и минус на
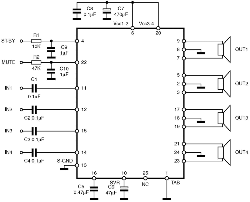
Ответы Mail.ru: TDA7386, УНЧ 4х40Вт схема
Характеристика схем подключения - Схемы 1
Колонки Sven MS-304 нет звука Ремонт Лайфхаки по ремонту электроники Дзен
TLE4267-2G - Infineon Technologies