Смотреть видео: Обозначение неподвижной опоры на чертеже



Обозначение неподвижной опоры на чертеже - найдено 60 фото

Найдено фото: 60

Знаки базирования на чертежах
Обозначение опор, зажимов, установочных устройств
29.Позиционные связи. Базирование: полное, неполное.
Обозначение опор трубопроводов на чертежах
ОБОЗНАЧЕНИЯ ОПОР ПРИ БАЗИРОВАНИИ ОБОЗНАЧЕНИЯ ПРИЖИМОВ и
Скачать ГОСТ 3.1107-81 Единая система технологической документации. Опоры, зажим
Обозначение опор на схеме
Разработка принципиальной схемы приспособления - Технология сборки и сварки пере
Скачать Серия 5.903-13 Выпуск 7-95. Опоры трубопроводов неподвижные
Оформление документации технологического процесса восстановления детали
Проектирование тепловой сети в Civil 3D - добавление неподвижной опоры - ИНФАРС
Схемы базирования и условные обозначения опор и зажимов - Энциклопедия по машино
Методические указания по контролю за тепловыми перемещениями паропроводов теплов
Обозначение опор, зажимов и установочных устройств.
Опора приварная неподвижная Л8-191
10. Обратите внимание, для изображения обозначения опор, зажимов и установочных
Подвижная опора ОПМ-07 серия НТС 65-06 в.2 купить в СПБ и Москве ЗАВОД ЗМК СПБ
Опора Т7 серия 4.903-10 выпуск 4
Опора боковая Т10 серия 4.903-10 вып.4
Опора неподвижная хомутовая бескорпусная Т11 трубопроводов Дн 108-1020мм. Серия
Монтажна схема теплової мережі
Опора А14Б 568.000 5.900-7 вып.4
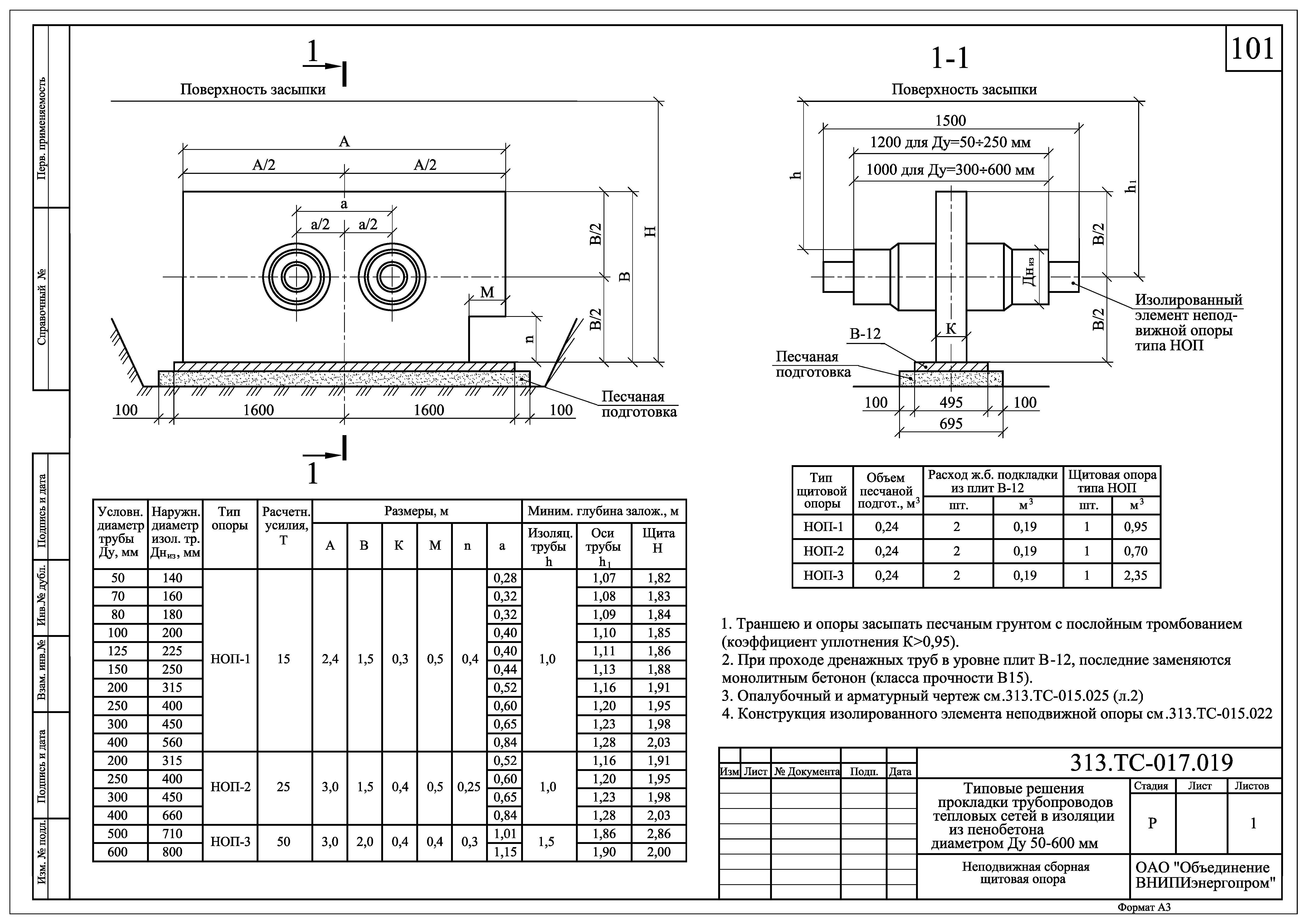
Скачать 313.ТС-017.000 Типовые решения прокладки трубопроводов тепловых сетей в
АВОК 1.05. Приложение 2. Условные обозначения трубопроводов.
Библиотека технической документации
Tehnol_Osnastka
Опора Т11 серия 4.903-10 вып.4
Опора Т3 серия 4.903-10 выпуск 4
Стальные опоры неподвижные - Справочник химика 21
Опоры Т3 неподвижные серии 4.903-10 выпуск 4 - ООО "Завод креплений трубопроводо