Смотреть видео: Определитель короткозамкнутого витка на микросхеме cd4013be схема

Определитель короткозамкнутого витка на микросхеме cd4013be схема - найдено 60 фото
Найдено фото: 60
CD 4013 based Sound Sensing Module
Индикатор короткозамкнутых витков своими руками. Хитрый электрик Дзен
Контент Borodach - Страница 376 - Форум по радиоэлектронике
ON_OFF_SWITCH - Switch_Control - Control_Circuit - Circuit Diagram - SeekIC.com
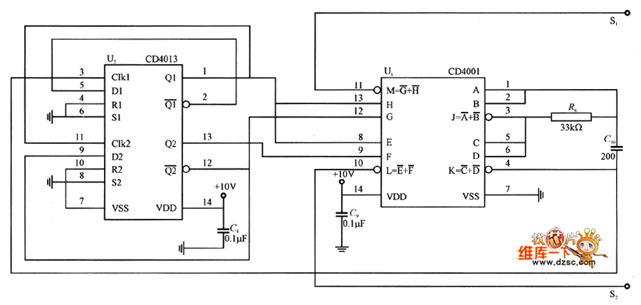
Ebből adódóan Találkozó véna cd4013be építészmérnök Kínálat kinyit
Схема устройства для обнаружения короткозамкнутых витков в катушках индуктивност
Форум РадиоКот * Просмотр темы - Межвитковое замыкание
Terminator-Pro - Страница 13 - Металлоискатели - Форум по радиоэлектронике
C1213 como driver de interruptor Electrónica, Esquemas electrónicos, Circuito el
Преобразователь =12V / 220V, 50Гц - Для дома и быта - Портал радиолюбителей
Индикатор короткозамкнутых витков коллекторных двигателей - Страница 19 - Начина
Восстановление обмоток якоря, статора. - Страница 5 - Диагностика ротора и стато
Индикатор короткозамкнутых витков Diagram
Схема устройства для обнаружения короткозамкнутых витков в катушках индуктивност
УСТРОЙСТВО ДЛЯ ОБНАРУЖЕНИЯ КОРОТКОЗАМКНУТЫХ ВИТКОВ В ЭЛЕКТРИЧЕСКИХ КАТУШКАХ. Рос
Аккумулятор вместо "Кроны".
Как определить короткозамкнутые витки в электродвигателе
ESR ТЕСТЕР способ
Контент sanyk - Форум по радиоэлектронике
Digital code lock Electronic circuit projects, Coding, Digital
Резервни части (3)
Автоматика - Каталог схем - Cхемы для радиолюбителей
Светодиоды Включение Одной Кнопкой - Световые эффекты и LED - Форум по радиоэлек
Индикатор короткозамкнутых витков своими руками схемы фото и видео - avRussia.ru
Simple Code Lock Circuit - ElectroSchematics.com Circuit diagram, Simple code, C
Микросхема cd4013 аналоги - TouristMaps.ru
sleep Outside Bad luck cd4013 toggle switch Predict Burgundy motor
Микросхема tc4013bp схема включения - Фото подборки
Реверсивное управление двигателем постоянного тока - DRIVE2
CD4013 FLIP FLOP TIPO D
CD4013 Datasheet Dual D-type Flip-flops Example Circuits ElecCircuit.com
Триггерная схема с тактовой кнопкой. Как? Аппаратная платформа Arduino
Индикатор витков: найдено 71 изображений
Электроника - Страница 4 - RC42-Форум
Акустический выключатель на микросхеме CD4013 и транзисторе IRF840
5 Interesting Flip Flop Circuits - Load ON/OFF with Push-Button Homemade Circuit
Single-key touching lamp switch circuit (1) - Basic_Circuit - Circuit Diagram -
Контент avv_rem - Страница 66 - Форум по радиоэлектронике
Curtain Opener Circuit
Контент sergey2369 - Форум по радиоэлектронике
Magnetic Proximity Sensor - OMCH
Робот Q&A: как проверить мотор актуатора (и заработать на короне). ч. 1 - Suzuki
Контент Элит Батькович - Форум по радиоэлектронике
Toggle flip flop using CD4013
Контент Альманах - Форум по радиоэлектронике
ПРИБОР ДЛЯ ПРОВЕРКИ ТРАНСФОРМАТОРОВ Электроника, Трансформаторы, Электронная схе
управление реле тактовой кнопкой
Прибор для проверки якорей электроинструмента и не только
Flip-flop CD4013 Electrónica, Esquemas electrónicos, Diagrama electrónico
обогрев лобового стекла - Форум Технических Маньяков
Индикатор межвитковых замыканий ротора Принципиальная схема, Инверторы, Синусоид
Dont coopérer Calligraphe cd 4013 développement de fusible Faire