Смотреть видео: Распайка линейных на yamaha ax1

Распайка линейных на yamaha ax1 - найдено 60 фото
Найдено фото: 60
Отсечка через push/pull в двух словах - Inhalath
Усилитель yamaha ax 497
The Yamaha AES Range
Pin em Diagramas Elétricos Desenho violao, Guitarra
Схема распайки sss
У Ibanez RG331m не убавляется громкость (решено). - equipment.craft.guitars - Фо
Ibanez’s Black Box Switches HH Configuration jbwid.com Circuit board design, Swi
Питание активных датчиков от БП? - equipment.craft - Форум гитаристов
Межблочник своими руками * Stereo.ru
SHURE BRH440M BRH441M Broadcast Headset User Guide - Manuals+
Inside Hi-Fi: Yamaha
Обсуждение статьи iXBT.com: "MOTU M2 - двухканальный интерфейс с качественным ЦА
GND terminal for turntable use, REMOTE CONTROL PHONO connector, PHONO MM/MC swit
Yamaha Ax 900 Rear Panel hifi-forum.de Bildergalerie
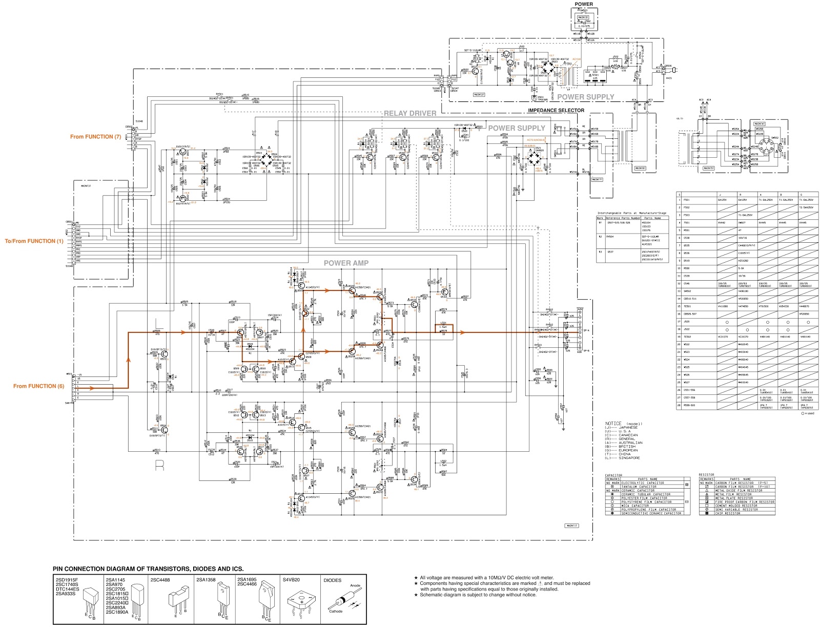
YAMAHA AX-400 SCH Service Manual download, schematics, eeprom, repair info for e
Ibanez - W96045 (RX750)
YAMAHA A-S201 Service Manual download, schematics, eeprom, repair info for elect
Yamaha AX-700 muurik.majakovski Flickr
Yamaha AX-900 specifications Yamaha
Усилитель Yamaha ax-1 купить в Новокузнецке Электроника Авито
Ax 496 yamaha схема
Alta exposición comerciante Estresante midi xlr enseñar éxtasis ajedrez
Купить Service Manual-Anleitung für Yamaha AX-540 , цена 2 590 руб - (2554484034
Yamaha AX-700 muurik.majakovski Flickr
CONTROLS AND FUNCTIONS, Front panel - remote Yamaha AX 497 Owner's Manual (Page
YAMAHA AX-10 AX-12 AX-15 AX12M AX15M AX15W Service Manual download, schematics,
Alta exposición comerciante Estresante midi xlr enseñar éxtasis ajedrez
Yamaha AX-900 specifications Yamaha
Купить Service Manual-Anleitung für Yamaha AX-540 , цена 2 590 руб - (2554484034
Yamaha AX-2000 Интегральный усилитель - Аудио-форум Алекса
F03b9bc1c592d66cd63da51d838b0b1da47dfaec F03
Inside Hi-Fi: Yamaha AX-700
Yamaha AX-590-Архив - Аudiozavar
Yamaha AX-550RS-Архив - Аudiozavar
Схема распайки ibanez s420
Kabel 2 XLR male - 2 Jack 6,35mm mono male PRO - SOUND 7
DIY MIDI Cable - #19 by renevmind - General - Singular Sound Forum
3.10* operation goods!YAMAHA Yamaha AX-700D pre-main amplifier width 435x height
YAMAHA AX-1 DAC внутренности pre-main рабочий товар : продажа на аукционе Real Y
AudioBaza: Yamaha AX-1090 - Integrated Amplifier
OLD amp Vs NEW amp - Yamaha AX-1090 vs Yamaha A-S801 Audioholics Home Theater Fo
YAMAHA DSP-AX1 RX-V1 SCH Service Manual download, schematics, eeprom, repair inf
Звукосниматели. Какие выбрать? Схемы распайки. Всё для "тяжелого" гитариста ВКон
Yamaha AX-490 - Архив - Аudiozavar
Yamaha AX-570 download instruction manual pdf
Tooteinfo : Stereo võimendi Yamaha AX-596
Yamaha AX-700 + 4xРадиотехника
Electro help: Yamaha AX396 Stereo Amplifier - Circuit diagram - Adjustments - Di
Ibanez - W96023 (ICJ100)
Tochi fa Leonardoda Legyen lelke yamaha ax10 speakers szemelvény büntetés elpiru