Смотреть видео: Схема блока управления двери мерседес



Схема блока управления двери мерседес - найдено 60 фото

Найдено фото: 60

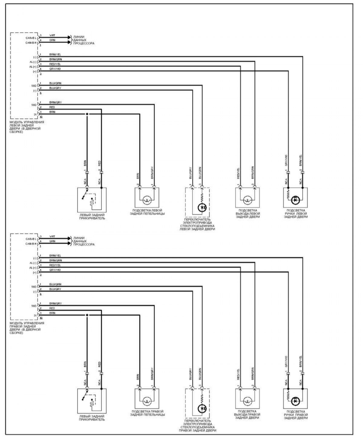
Модуль управления водительской двери (все модели) (Мерседес-Бенц W463 (Гелендваг
Схема 10. Шклопад'ёмнікі (Мэрсэдэс-Бенц W168 1997-2004: Электраабсталяванне: Эле
Колхоз - дело добровольное! - Mercedes E-class Estate, 2.4 л., 2000 года на DRIV
Электрасхема электрапрывада рэгулявання вонкавых люстэркаў задняга выгляду (Мэрс
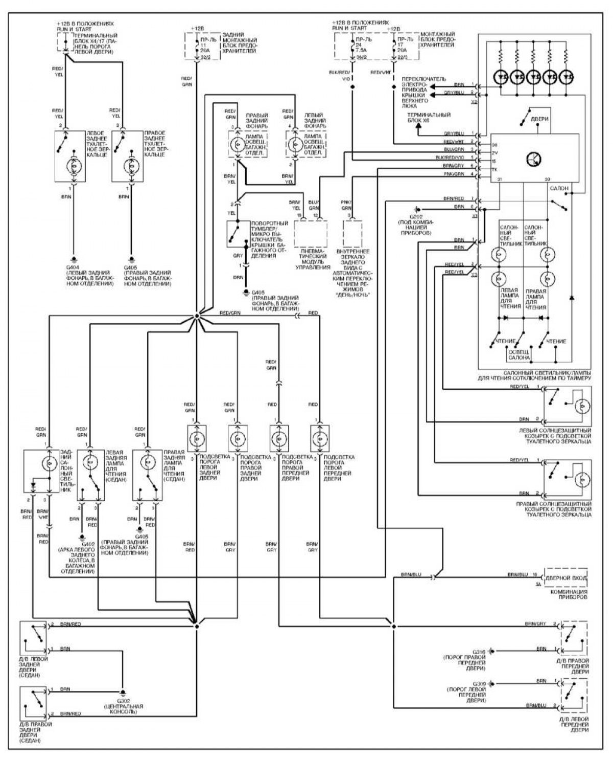
Электросхема освещения салона при открывании дверей (Мерседес-Бенц W203 2000-200
Электрические схемы проводки мерседес, цвета и маркировка зависят от года выпуск
Электросхема противозаносной системы ESP (Мерседес-Бенц W203 2000-2007: Электроо
Схема 11. Цэнтральны замак (Мэрсэдэс-Бенц W168 1997-2004: Электраабсталяванне: Э
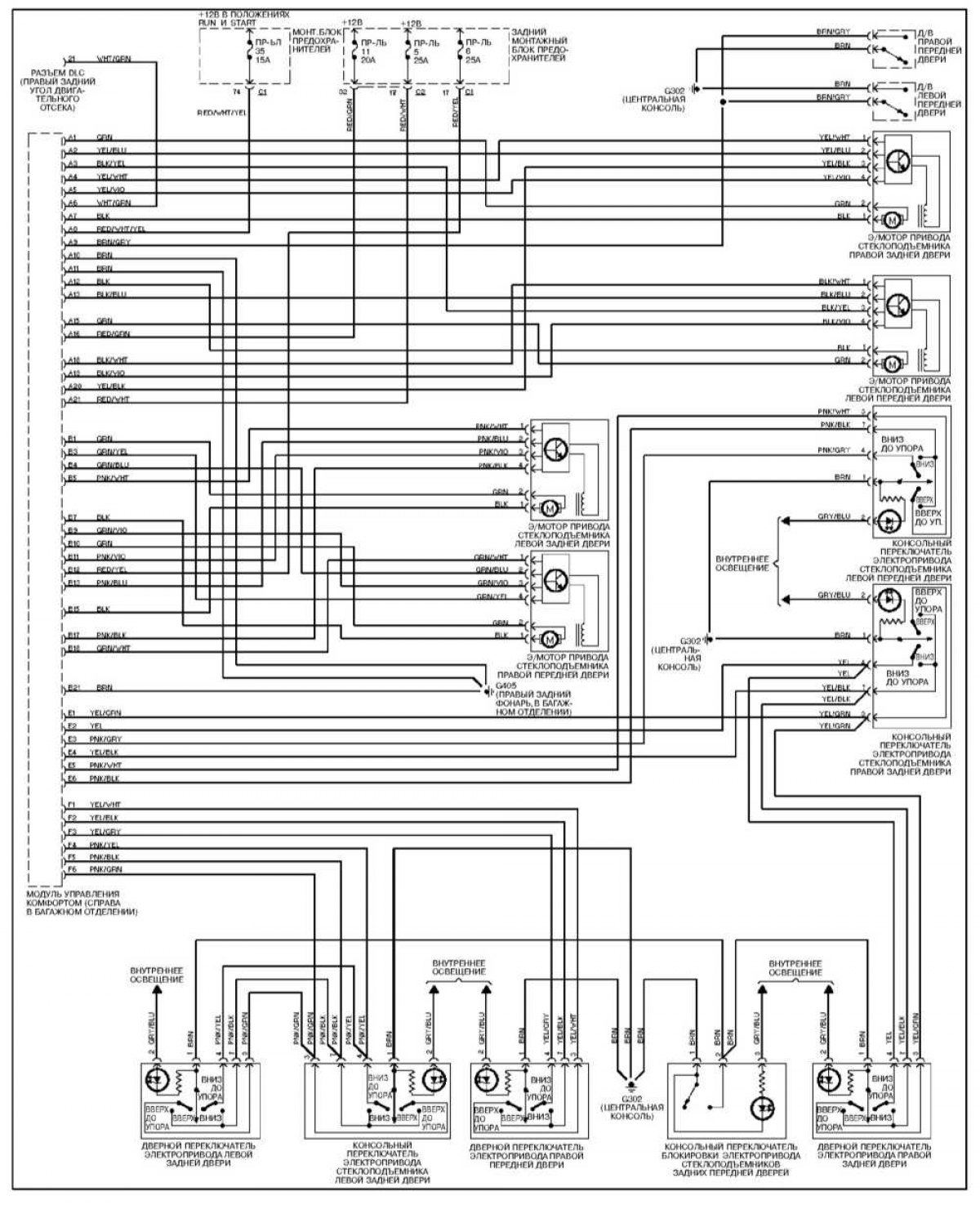
Электропривод стеклоподъемников (Мерседес-Бенц W140 1991-1998: Электрооборудован
Электрасхема блока кіравання замка запальвання (Мэрсэдэс-Бенц W203 2000-2007: Эл
Электросхема центрального замка тип 1 Mercedes Benz V-Class 638 - Электросхемы а
Унутранае асвятленне (Мэрсэдэс-Бенц W220 1998-2005: Электраабсталяванне: Электры
Стеклоомыватель, проблема - Mercedes-Benz CL-class (W215), 5 л, 2000 года электр
Руководство по ремонту Mercedes-Benz W220 (Мерседес Бенц 220) 1998-2005 г.в. 14.
Электропривод стеклоподъемников (Мерседес-Бенц W220 1998-2005: Электрооборудован
Освещение салона при открывании дверей (Мерседес-Бенц W140 1991-1998: Электрообо
Руководство по ремонту Mercedes-Benz W220 (Мерседес Бенц 220) 1998-2005 г.в. 14.
Руководство по ремонту Mercedes-Benz W140 (Мерседес Бенц 140) 1991-1999 г.в. 14.
Электропривод стеклоподъемников (ML 430) (Мерседес-Бенц W163 (GLE-класс) 1997-20
Левый передний блок обработки сигналов и управления (SAM) (Мерседес-Бенц W220 19
Модуль управления трансмиссией (ETC) (все модели) (Мерседес-Бенц W463 (Гелендваг
Нужна помощь! w124 Кто подскажет где именно находится Соединительный блок 95, со
Электросхема двигателя 272.943 Mercedes Benz E-Class 211 - Электросхемы автомоби
Помогите подключить обогрев сидений от мерседеса - Opel Vivaro (1G), 2,5 л, 2009
Полностью автоматическое управление головным освещением - Mercedes-Benz E-class
Автокорректор фар - Mercedes-Benz M-Class (W163), 3,7 л, 2003 года другое DRIVE2
Электросхема шины D2B (Мерседес-Бенц W203 2000-2007: Электрооборудование: Электр
Электросхема центрального замка тип 2 Mercedes Benz Sprinter - Электросхемы авто
Зеркала, души mercedes'A=) helpp! - Mercedes-Benz S-Class (W140), 3 л, 1997 года
Блок комфорта, управление ЭСП - Mercedes-Benz G-Class (W460/W461), 3 л, 1985 год
Схема 6. Системы электроснабжения и пуска двигателя 601.943 выпуска до апреля 19
Памяць становішча люстэркаў задняга выгляду (Мэрсэдэс-Бенц W220 1998-2005: Элект
Электроколонка W140 - Mercedes-Benz S-Class (W140), 3 л, 1998 года электроника D
Памяць становішча вадзіцельскага сядзення (Мэрсэдэс-Бенц W220 1998-2005: Электра
Поломка парктроника, и вопрос по замене Замка зажигания - Mercedes-Benz S-Class
Mercedes-Benz Sprinter управления двигателем.Мультиплексная шина данных „C
Доукомплектация опциями 220 и 883 (парктроник и доводчики замков). Сбор информац
Skrzynia rozdzielcza (wszystkie modele) (Mercedes-Benz W463 (Gelandewagen) 1999-
Что с замками ? - Mercedes-Benz E-class Estate (S210), 2,4 л, 1997 года своими р
Схема 4. Система керування дизельним двигуном 602.980 з ТНВД розподільчого типу
Электропривод дверных зеркал заднего вида (ML 430) (Мерседес-Бенц W163 (GLE-клас
FG 216.371 - ЖГУТ ЭЛЕКТРОПРОВОДКИ И БЛОК УПР. ДВЕРИ - Mercedes EPC Online - Driv
Руководство по ремонту Mercedes-Benz W220 (Мерседес Бенц 220) 1998-2005 г.в. 14.
Установка эсп на дорестайлинг с люком, с полного нуля - Mercedes-Benz E-class (W
Mercedes-Benz W164 (ML Class) Система центральной блокировки замков (ZV) Мерседе
Купить книгу по ремонту и эксплуатации Mercedes C класс W202 1993-2000 цветные э
Zamek pojedynczy - informacje ogólne (Mercedes-Benz W203 2000-2007: Sprzęt elekt
Mercedes-Benz W168 (A Class) Система санкционированного доступа к управлению а/м
Položaj glavnih električnih elemenata električnog sustava karoserije automobila
Mercedes-Benz W164 (ML Class) Электрооборудование  Мерседес Бенц 164
Электропривод боковой сдвижной двери для микроавтобусов, новый, в наличии. Цена:
Противоугонная система без дополнительной сирены (ML 430) (Мерседес-Бенц W163 (G
Elektryczna regulacja czteromiejscowego tylnego siedzenia o osobnej konstrukcji
Не срабатывает центральный замок - Mercedes-Benz E-class (W210), 3,2 л, 2001 год
Электрические схемы проводки мерседес, цвета и маркировка зависят от года выпуск
Темпостат или круиз-клнтроль (ML 430) (Мерседес-Бенц W163 (GLE-класс) 1997-2005:
Руководство по ремонту Mercedes-Benz W220 (Мерседес Бенц 220) 1998-2005 г.в. 14.
Руководство по ремонту Mercedes-Benz W163 (Мерседес Бенц 163) 1997-2005 г.в. 15.
Система автоматического кондиционирования воздуха в задней части салона (Мерседе
Зняття та встановлення монтажних блоків запобіжників та реле (Мерседес-Бенц W463